|
|
|
|
|
FCSE | 用于催化裂化生产轻质烯烃的沸石-介孔二氧化硅复合催化剂的制备 |
|
|
论文标题:Formulation of zeolite-mesoporous silica composite catalysts for light olefin production from catalytic cracking
期刊:Frontiers of Chemical Science and Engineering
作者:Hassan Alhassawi, Edidiong Asuquo, Shima Zainal, Yuxin Zhang, Abdullah Alhelali, Zhipeng Qie, Christopher M. A. Parlett, Carmine D’Agostino, Xiaolei Fan, Arthur A. Garforth
发表时间:15 Nov 2024
DOI: 10.1007/s11705-024-2480-7
微信链接:点击此处阅读微信文章
轻烯烃(包括乙烯、丙烯和丁烯)是生产化妆品、润滑剂、橡胶、洗涤剂及聚合物的重要化学品。据预测,到2028年轻烯烃市场需求将达到3293亿美元,年增长率4.5%。然而,传统蒸汽裂化技术的供应能力有限,优化催化裂化工艺成为提升轻烯烃产能的关键路径。其中,开发高选择性的催化裂化(FCC)催化剂是核心的挑战——尽管沸石的微孔结构提供了关键酸性位点和择形性,但其也可能限制大分子的扩散,导致催化效率下降和失活。那么,如何通过材料设计平衡微孔酸性与介孔传质呢?

英国曼彻斯特大学化工系Hassan Alhassawi与Arthur A. Garforth等人在《化学科学与工程前沿》(英文)发表了题为“Formulation of zeolite-mesoporous silica composite catalysts for light olefin production from catalytic cracking”(用于催化裂化生产轻质烯烃的沸石-介孔二氧化硅复合催化剂的制备)的研究论文,通过物理混合微孔沸石(Y型、ZSM-5)和介孔二氧化硅(KIT-6、SBA-15、MCM-41),构建了微-介孔复合催化剂,旨在通过介孔结构改善传质,同时保留沸石的酸性位点,从而提升轻烯烃的选择性与收率。
本研究首先采用表面活性剂模板法合成了SBA-15和KIT-6介孔二氧化硅,并结合市售MCM-41,与Y型沸石、ZSM-5按不同比例混合,经干燥、焙烧制备复合催化剂。通过X射线衍射(XRD)、氮气吸附-脱附(BET)、扫描电镜(SEM)、透射电镜(TEM)及脉冲场梯度核磁共振(PFG-NMR)等手段,系统表征了材料的晶体结构、孔道特性、形貌及分子扩散行为;以正庚烷为模型化合物,在550 ℃、重量空速0.41 h-¹的条件下进行催化裂化实验,评价催化剂的性能。

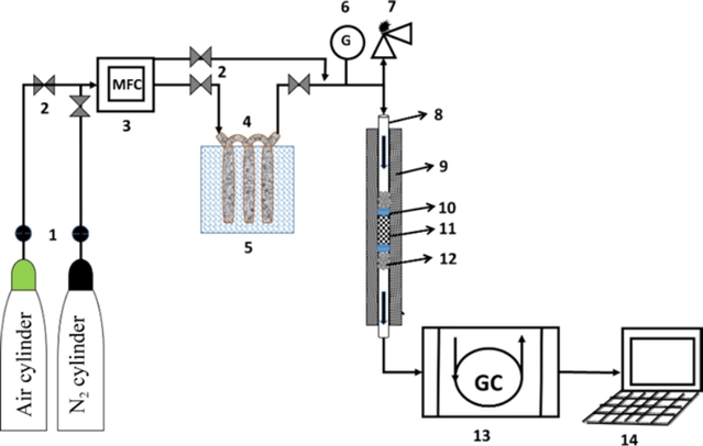
图1 催化裂化反应实验装置示意图。1. 氮气和空气压力调节器;2. 阀门;3. 质量流量控制器;4. 鼓泡器;5. 冷却浴槽;6. 压力表;7. 泄压阀;8. 反应管;9. 炉;10. 玻璃棉;11. 催化剂床层;12. 玻璃珠;13. 气相色谱仪;14. 数据采集器。
结果显示,复合催化剂的微孔表面积较单一介孔材料提升了50%-55%,介孔体积降低了10%-20%,形成了平衡的微-介孔结构。催化性能方面,ZY/ZSM-5/SBA-15(20:20:60 wt %)表现最优,正庚烷转化率达95%,乙烯/丙烯选择性为8%;ZY/ZSM-5/KIT-6(20:20:60 wt %)转化率为85%,选择性约6%;而ZY/ZSM-5/MCM-41(20:20:60 wt %)因MCM-41孔径较小,扩散阻力较大,转化率仅79%。脉冲场梯度核磁共振(PFG-NMR)分析进一步揭示,SBA-15和KIT-6的较大介孔显著降低了正庚烷的晶内扩散阻力,而MCM-41的小孔径导致了更高的扩散限制。热重分析(TGA)显示,三种催化剂反应12小时后积碳量均低于1.5%,表明其抗积碳性能良好。

图2 (a) ZY/ZSM-5/KIT-6(20:20:60)、ZY/ZSM-5/MCM-41(20:20:60)和ZY/ZSM-5/SBA-15(20:20:60)复合催化剂的氮气吸附-脱附等温线;(b) 基于BJH法的孔径分布

图3 (a) 不同复合催化剂的正庚烷转化率;(b) 轻烯烃总收率(条件:温度550 ℃,重量空速0.4 h?¹,反应时间4 h,常压)

图4 选定复合催化剂在550 ℃、常压下的寿命测试(反应时间12 h,重量空速0.4 h-¹):(a) 正庚烷转化率;(b) 轻烯烃总收率;(c) 轻烯烃产物分布;(d) 气体收率分布
本研究表明,通过调控沸石与介孔二氧化硅的比例及介孔材料类型,可有效平衡催化剂酸性位点的可及性与分子扩散效率。其中,SBA-15基复合催化剂因介孔结构更优,在转化率与选择性上表现突出。这一工作为设计高效催化裂化催化剂提供了实验依据,也为轻烯烃生产技术的优化提供了思路。
引用信息
Hassan Alhassawi, Edidiong Asuquo, Shima Zainal, Yuxin Zhang, Abdullah Alhelali, Zhipeng Qie, Christopher M. A. Parlett, Carmine D’Agostino, Xiaolei Fan, Arthur A. Garforth. Formulation of zeolite-mesoporous silica composite catalysts for light olefin production from catalytic cracking. Front. Chem. Sci. Eng., 2024, 18(11): 133
https://doi.org/10.1007/s11705-024-2480-7
本文来自
Porous materials for catalysis and separation

扫描二维码 | 查看原文
原文链接:
https://journal.hep.com.cn/fcse/EN/10.1007/s11705-024-2480-7
《前沿》系列英文学术期刊
由教育部主管、高等教育出版社主办的《前沿》(Frontiers)系列英文学术期刊,于2006年正式创刊,以网络版和印刷版向全球发行。系列期刊包括基础科学、
、工程技术和人文社会科学四个主题,是我国覆盖学科最广泛的英文学术期刊群,其中12种被SCI收录,其他也被A&HCI、Ei、MEDLINE或相应学科国际权威检索系统收录,具有一定的国际学术影响力。系列期刊采用在线优先出版方式,保证文章以最快速度发表。
中国学术前沿期刊网
http://journal.hep.com.cn

特别声明:本文转载仅仅是出于传播信息的需要,并不意味着代表本网站观点或证实其内容的真实性;如其他媒体、网站或个人从本网站转载使用,须保留本网站注明的“来源”,并自负版权等法律责任;作者如果不希望被转载或者联系转载稿费等事宜,请与我们接洽。